最近免费中文字幕大全免费版视频,亚洲男人的天堂网站,欧妇女乱妇女乱视频,亚洲va韩国va欧美va

歡迎訪問北京中天恒遠環保設備有限公司官網!
咨詢熱線:010-8022-5898 手機:18610094262
北京中天恒遠
成功案例:J301項目氧化還原爐(二期)全自動加藥裝置工程案例 成功案例:供熱集團500t/h浮動床鈉離子交換器工程案例 成功案例:內蒙古煤礦恒壓變頻供水機組工程案例 成功案例:煤礦井下防爆軟化水設備工程案例分享 成功案例:奧迪一汽新能源汽車項目40t/h*2解析除氧器工程案例 成功案例:青海銅業50t/h深度水處理站超濾和反滲透系統改造項目
品牌合作
 一、盤式過濾器概述
    盤式過濾器在發達國家的應用已相當普遍,因其能夠在相當苛刻的使用條件下精確穩定地工作并很少需要維護而被廣泛用于灌溉、廢水處理、污水再生、市政供水、自來水廠、大型發電廠、化工企業及應急情況過濾等領域。
    盤式過濾器采用模塊化設計,可按過濾單元進行多種組合使用,以滿足不同應用場合的實際需要。反沖洗控制器操作簡單,可根據壓差,時間或兩者組合對過濾器或工作站進行全面控制。疊片過濾器濾芯無須更換,壽命可達15年之久。
二、全自動盤式過濾系統的組成:
          
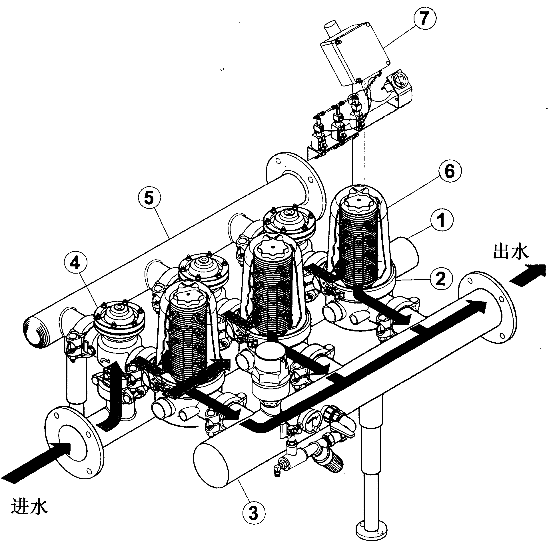
過濾系統由六個模塊化的過濾單元組合而成,由共同的進水口、出水口及排污口連接在一起。過濾器主要包括下列組件:
1)主進水口     2)過濾器殼
3)總出水口     4)反沖閥
5)總排污口     6)過濾單元(盤片組)
7)控制器
 
三、盤式過濾系統工作原理
1)工作狀態:
污水經總進水管(1)流入過濾器中,經過超級反沖閥(4)(此狀態下反沖閥允許水過過濾器同時關閉排水口)流向過濾器的每只過濾盤片組(6),在過濾工序中,污物被攔截在各濾盤組中(在盤片上的曲線棱構成的空間內)。濾后清水流出各濾盤組(6)的內部通道進入總出水口,并從出水口直接供向系統用水工段。
2)反沖狀態
污物在濾盤組內的積聚引起各濾盤組(6)進出口間的壓力差,當過濾器的壓差(腜)達到一個預先設定的數值,系統自動開始一反沖洗過程。系統上的第一只反沖閥(4)先打開,同時引發幾個動作:沖洗閥(4)關閉過濾器單元的出水口,打開反沖排污口(5)。系統中其他過濾單元的濾后清水經總出水口(3)進入處于反洗狀態的過濾單元,通過出水口,流入盤片組(6)內部,與污物一起從盤片組(6)的外緣流出,流向排污口(5)。
通過這種方式,水流將整個盤片組上的污物清除干凈。
反沖洗循環由控制器(7)上的壓差數據控制,并通過時間控制器的信號開啟和關閉沖洗閥(4)。控制器(7)控制沖洗過程,以使在同一時間僅有一只過濾單元處于反沖洗狀態,同時其他過濾單元繼續向系統中提供干凈的清水。沖洗過程持續一定時間后自動停止,持續的時間可以預先在控制器上設定。
 
 
四、過濾過程
    1.待處理的污水自進水口進入過濾單元
    2.水流自濾盤組外側流向濾盤組內側
    3.水流在經過環狀棱構成的通道時,粒徑大于棱高度的顆粒被攔截下來,儲存在曲線棱構成的空間、濾盤組與外殼的間隙內
    4.濾后清水進入環狀濾盤內部,經出口引出
 
五、盤式過濾器控制部分
    過濾器反洗的啟動采用時間和壓差同時控制,工作時間和反洗時間的設定都可現場調整。當壓差或時間達到設定值時控制器按一定順序逐個啟動反洗,清洗完畢后立即投入使用。控制器設有強制反洗功能,并且通過調節電磁閥上的手動控制鈕實現對每個過濾頭的手動控制。

 
六、性能特點
    1.高效,精確過濾:盤式過濾器特殊結構的濾盤過濾技術,性能精確靈敏,確保只有粒徑小于要求的顆粒才能進入系統,是較為有效的過濾系統;規格有5μ、10μ、20μ、55μ、100μ、130μ、200μ等多種,用戶可根據用水要求選擇不同精度的過濾盤。系統流量可根據需要靈活調節。
    2.標準模塊化,節省占地:系統基于標準盤式過濾單元,按模塊化設計,用戶可按需取舍,靈活可變,互換性強。系統緊湊,占地極小,可靈活利用邊角空間進行安裝,如處理水量300m3/h左右的設備占地僅約6m2(一般水質,過濾等級100μ)。
    3.全自動運行,連續出水:在過濾器組合中的各單元之間,反洗過程輪流交替進行,工作、反洗狀態之間自動切換,可確保連續出水;反洗耗水量極少,只占出水量的0.5%;如配合空氣輔助反洗,自耗水更可降到0.2%以下。高速而徹底的反洗,只需數十秒即可完成
    4.壽命長:新型塑料過濾元件堅固、無磨損、無腐蝕、極少結垢,經多年工業實用驗證,使用6~10年也沒有磨損,不會老化,過濾和反洗效果不會因使用時間而變差。
    5.高質量,維護量少:產品符合相應質量標準,所有產品在出廠前均經模擬工況檢測和試運轉,不需專用工具,零部件很少;易于使用,僅需定期檢查,幾乎不需日常維護。
 
七、盤式過濾器技術參數
    1.運行參數
    處理量0.25MPa
    出水懸浮粒徑5μ~800μ反洗流速8~18m3/h
    工作壓力0.08~1MPa反洗時間20~60秒
    工作溫度<80℃反洗水耗30~100Kg(單個過濾頭)
    pH5~11.5系統壓損0.001~0.08MPa
    2.設備材質
    盤式過濾單元由增強聚酰胺塑料成形制造,防腐耐磨,可承受工作壓力1MPa,過濾盤材質為聚丙烯塑料EPDM密封,進出水及排水管路有碳鋼聚酯涂襯、工程塑料和不銹鋼三種;閥門有塑料閥或金屬閥;系統配套提供多功能控制盤。
    3、濾盤區分
    盤式過濾器的過濾功能由內部的濾盤完成,用戶可根據用水要求選擇不同精度的過濾盤,規格有5μ、10μ、20μ、55μ、100μ、130μ、200μ等多種。
 
八、設備材質
    盤式過濾單元由增強聚酰胺塑料成形制造,防腐耐磨,可承受工作壓力1 MPa,過濾盤材質為聚丙烯塑料EPDM密封,進出水及排水管路有碳鋼聚酯涂襯、工程塑料和不銹鋼三種;閥門有塑料閥或金屬閥;系統配套提供多功能控制盤。
服務地區:北京;天津;上海;重慶;河北;河南;云南;遼寧;黑龍江;湖南;安徽;山東;江蘇;浙江;江西;湖北;廣西;甘肅;山西;陜西;吉林;福建;貴州;廣東;青海;四川;寧夏;海南
服務地區:哈爾濱;長春;沈陽;南京;濟南;合肥;石家莊;鄭州;武漢;長沙;南昌;西安;太原;成都;西寧;海口;廣州;貴陽;杭州;福州;臺北;蘭州;昆明;銀川;烏魯木齊;拉薩;南寧
補充分類:電廠;工業;游泳池;系統;工程;工程師;藥劑;過濾器;絮凝劑;公司;廠家;生產廠家;